一塊新設計的電路板經過SMT、波峰焊或手工焊接后變成了PCBA,算是萬里長征第一步。然而從PCBA到最后定型交付工廠量產,中間還需要經過一系列的測試和驗證工作。很多年輕的電子工程師對于PCBA和電子產品系統調試步驟和各階段具體要求不清楚,常常導致開發調試效率低下,甚至損毀待測電路板。更可怕的是將有功能或性能缺陷的設計轉到量產階段,給公司造成巨額損失。深圳根據多年實踐經驗,總結出從PCBA到產品定型的九個步驟,高效完成了多款電子產品的研發工作。
第一步 目視檢查
剛剛貼裝好交付到電子工程師手上的PCBA如圖一所示,有經驗的工程師通過目視檢查就能快速發現很多設計、物料和工藝問題,可節省大量后續調試時間。
1.1. 仔細對照電路圖,檢查確認原理圖、PCB圖和BOM的版本和拿到手的實物是否吻合,確認PCBA實際焊接的重要元器件和電路圖是否吻合等。
1.2 檢查板子上是否有錫珠錫渣,連焊虛焊,是否有明顯的掉件漏焊;輕輕拔一拔個頭比較大的元器件,特別是電解電容、大功率電感以及手插件,仔細觀察還接位置是否居中準確,焊點是否牢固。
1.3 注意檢查電源線排列,重要IC貼裝方向、二極管AK方向、極性電容的極性,接插件的缺口方向。
圖1 PCBA實物圖
第二步 阻抗測試
本步驟相對簡單,但是卻極其重要,很多嚴重問題都是忽略了本步導致的。請務必反復核實所需要加載的的電源極性和電壓,通過萬用表檢查各路輸入輸出電源與地之間是否有短路,是否有明顯的阻抗異常,如有任何異常務必排除之,萬不可心存僥幸。
圖二 數字式萬用表
第三步 上電檢查
懷著惴惴不安的心情,估計你已經迫不及待的想給你的電路板通電工作了。好吧,可以上電,但要抱著隨時壯烈犧牲的準備正確加電。將電源線負極接到實驗電源的負極,確認實驗電源的輸出電壓無誤后,將電源線正極輕輕搭接在實驗電源接線端子的正極,不要急于用儀器觀測波形和數據,只關心PCBA通電瞬間是否有異常現象,如冒煙、起火、電火花、異常氣味、器件爆裂等,具體慘象如圖三所示。如果有異常立即移開電源線,返回到第一步排查問題,待問題查明處理后方可重新進行本步驟。確認無異常后方可正式上電,觀察一段時間未發現異常或存在明顯發燙的IC后即可進入下一步。
圖三 冒煙的電路板
第四步 靜態測試
PCBA正式上電后,對照硬件設計說明書,按照以下步驟進行靜態測試。
4.1 工作電壓和工作電流測量
直流電壓的測試非常方便,可直接測量。而電流的測量就不太方便,通常采用兩種方法來測量。若電路在印制電路板上留有測試點,可串入電流表直接測量出電流的數值,然后再用焊錫連接好。若沒有測試孔,則可測量直流電壓,再根據電阻值大小計算出直流電流。對于存在多種電源的電路,還要測試各路電源的上電時序,如圖四所示。
圖四 電源上電時序圖
4.2 處理器最小系統缺省狀態測試
需要確認處理器復位電平的極性和波形、晶振電路的頻率、輸入配置引腳的狀態、輸出控制引腳的初始狀態。單片機晶振電路波形圖如圖五所示。
圖五 單片機晶振電路波形圖
4.3 邏輯電路初始狀態測試
重點關注芯片的片選信號、使能信號以及配置管腳的缺省狀態是否滿足要求。如圖六所示的DIR_485引腳的缺省狀態為低。
圖六 RS-485總線驅動電路圖
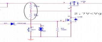
4.4 模擬電路工作點測試
需要測試并優化放大器、三極管、MOS管等直流靜態工作點。如圖七中R1和R2的阻值需要根據MOS管的參數進行計算并根據實測結果調整。
圖七: MOS管工作點調試示意圖
第五步 功能調試
本階段通常需要軟件驅動配合,需要用到各種專業儀器設備如信號發生器、邏輯分析儀、示波器、頻譜分析儀、電子模擬負載等。
5.1 打通處理器調試接口,實現軟件程序下載運行和狀態輸出;如圖八所示。
圖八 Jtag仿真器調試示意圖
5.2 驗證人機交互功能,信息指示功能正常;
5.3 通過程序控制,驅動數字電路,觀測輸出信號波形、幅值、脈沖寬度、相位及動態邏輯關系是否符合要求。驗證邏輯控制和通信接口功能,輸入狀態正確和輸出狀態可控;
5.4 調整模擬電路的交流通路元件,如電容、電感等,使交流信號的波形、幅度、頻率等參數達到設計要求;
5.5 輸入單階躍信號測試電路狀態變化的邏輯關系是否滿足要求;
5.6 驗證驅動電路在空載或輕負載條件下工作是否正常。
5.7 所有功能調試完成后應提交功能調試報告如表一所示
表一 功能調試驗證報告
第六步 性能測試
電路經動態調試正常之后,便可對要求的技術指標進行測量。如傳輸速度、誤碼率、無線傳輸距離、信噪比等進行測試并記錄測試數據,對測試數據進行分析,最后作出測試結論,以確定電路的技術指標是否符合設計要求。如有不符,則應仔細檢查問題所在,一般是對某些元件參數或軟件配置加以調整和改變。若仍達不到要求,則應對某部分電路或配置進行修改,甚至要對整個電路重新加以修改。因此,要求在設計的全過程中,要認真、細致,考慮問題要更周全。具體測試結果如表二所示。
表二 性能測試分析表
第七步 一致性測試
經過性能測試并確認滿足設計要求后,根據實際情況至少需要進行3塊以上的功能和性能一致性測評,對于電壓、電流、延時、信號波形等進行對比測試,如有明顯偏差務必不能掉以輕心,要認真分析可能存在設計、物料、加工工藝或調試測試方案的缺陷不足。如表三所示即可分析存在的是偶發問題還是批次性問題。
表三 47套產品工作電流一致性測試
第八步 系統聯調
經過一致性測試通過的PCBA需要安裝固定到整機系統中進行系統聯調,原則上也要進行系統級別的一致性測試。
系統聯調的過程中最常見的問題是PCBA和結構的干涉;無線通信天線位置對通信性能的影響;散熱條件惡化導致的性能下降,通信誤碼率導致的功能或性能下降,音視頻部分受箱體的影響;負載能力不足導致的電機堵轉或過熱保護,系統電源供電能力不足導致的各種異常等。由于電子產品的種類繁多,需要結合系統框圖進行仔細排查。某產品的系統框圖如圖九所示。
圖九 某產品系統框圖
第九步 型式試驗
型式試驗是電子產品研發階段的重要環節,是產品從研發轉向生產的關鍵性節點,也是產品能否定型的重要依據。具體測試的內容和要求根據產品的類型和要求不盡相同。但大致范圍和測試項目相差不大,如某產品的型式試驗大綱如圖十所示。
圖十 某產品型式定型試驗大綱
結束語
當前電子產品包羅萬象,集成芯片和功能電路也層出不窮,再加上嵌入式系統機械、電子和軟件的高度相關,PCBA到系統聯調難度都在逐漸加大。另外由于市場競爭激烈,電子產品研發周期不斷壓縮,這就對電子工程師的從PCBA到產品定型全過程調試能力和能力提出較高要求。電子產品的形態和具體應用的電子技術雖有不同,但調試的基本流程、步驟和注意事項高度相通,九步調試法對于各行業的電子工程師都具有一定的參考和借鑒作用。
深圳宏力捷推薦服務:PCB設計打樣 | PCB抄板打樣 | PCB打樣&批量生產 | PCBA代工代料
